生成物百度百科:JD-WQX5型五(wu)因素(su)微景(jꩲing)象形(xing)象仪立异性地将景(jing)象形(xing)象规范五(wu)参数(shu)(情(qing)况温(wen)度、绝对湿(shi)度、风速(su)、风向、大气压力)经由进程一个高集成度布局(ju)来完成。
一、产物简介
山东竞道光电科技无限公司作为专业研发出产发卖微型景象形象仪的企业,一向努力于微型景象形象仪和景象形象情况处理计划推行利用。具备完全的出产链、气力薄弱的手艺团队和周全的营销团队,咱们研发出产的超声波风速风向仪、五因素微景象形象仪、六因素微景象形象仪和小型主动景象形象站等景象形象产物,已普遍利用到景象形象监测、都会情况监测、风力发电、帆海船舶、航空机场、桥梁地道等范畴,客户遍布天下各地,并获得了杰出的社会效益和经济效益。
与传统的微型景象形象仪比拟,我司产物降服了对高精度计时器的需要,防止了因传感器启动延时、解调电路延时、温度变更而形成的丈量不准题目。
JD-WQX5型五因素微景象形象仪立异性地将风速、风向、温度、湿度、大气压力经由进程一个高集成度布局来完成,可完成户外景象形象参数24小时持续在线监测,经由进程数字量通信接口将五项参数一次性输入给用户。
二、产物特色
1、顶盖埋没式超声波探头,防止雨雪聚积的搅扰,防止天然风遮挡
2、道理为发射持续变频超声波旌旗灯号,经由进程丈量绝对相位来检测风速风向
3、风速、风向、温度、湿度、大气压力五因素一体式
4、接纳进步前辈的传感手艺,及时丈量,无启动风速☆
5、抗搅扰才能强,具备看门狗电路,主动复位功效,保障系统稳定运转
6、高集成度,无挪动部件,零磨损
7、免保护,无需现场校准
8、接纳ASA工程塑料室外利用终年稳定色
9、产物设想输入旌旗灯号标配为RS485通信接口(MODBUS和谈);可选配232、USB、以太网接口,撑持数据及时读取☆
10、可选配无线传输模块,最小传输距离1分钟
11、红外探头为卡扣式(🧸shi)总体目标,处理了(le)搬家、装备程序(xu)运行滑丝不好的(de)提(ti)题☆
三、手艺参数
1、风速:丈量道理超声波,0~60m/s(±0.1m/s)分辩率0.01m/s;
2、风向:丈量道理超声波,0~360°(±2°);分辩率:1°;
3、氛围温度:丈量道理二极管结电压法,-40-80(±0.3℃),分辩率0.01℃;
4、氛围湿度:丈量道理电容式,0-100%RH(±3%RH),分辩率:0.1%RH;
5、大气压力:丈量道理压阻式,300-1100hpa(±0.25%),分辩率0.1hpa;
6、功率:0.72W
7、出产企业具备ISO品质办理系统、情况办理系统和职业安康办理系统认证☆
9、出产企业为3A级信誉企业☆
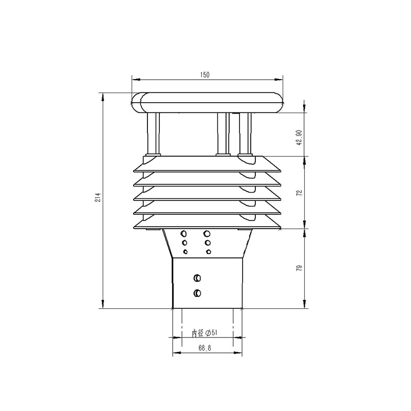
四、产物尺寸图

五、产物布局图

1、吃妻上瘾用电线路
2、指北箭头符号
3、高周波波摄像头
4、铝合金百叶箱
5、温暖、温度、压力监测方案影响力
6、边侧粘紧法兰盘
※此化合物可以供配电子罗盘风水、GPRS(原带)/GPS(二选一)
六、有机物接法界说
界说 | 备注名称 | |
VCC | 主机电源正 | DC12V |
GND | 电源开关地 | |
485A | RS485A | |
485B | RS485B |












